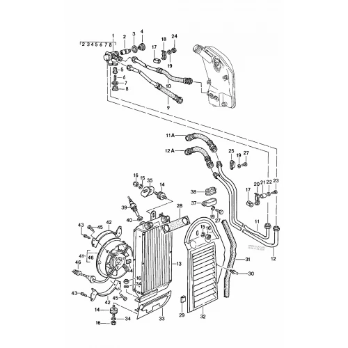
Oljerør trykk, i messing sort silke matt lakkert som orginal ,bare 1/2 pris, med muttere.Dette røret sitter som regeL veldig fast i koblinger slanger i forsjermen-kjøp med de også mellom rør og oljekjøleren.Olje Termostat er også på lager. Røret er nr 12 på bildet
Oljerør trykk, i messing sort silke matt lakkert som orginal ,bare 1/2 pris, med muttere.Dette røret sitter som regeL veldig fast i koblinger slanger i forsjermen-kjøp med de også mellom rør og oljekjøleren.Olje Termostat er også på lager. Røret er nr 12 på bildet